機構介紹
偏心擺線減速機
減速機產品(RV)
減速機產品(HD)
動態分度盤
CNC分度盤介紹
四軸、五軸應用
伺服馬達減速機
影片
電子型錄
聯絡資訊
首頁
>
減速機產品系列(HD尺寸)
>
RV-F系列
> RV-8F
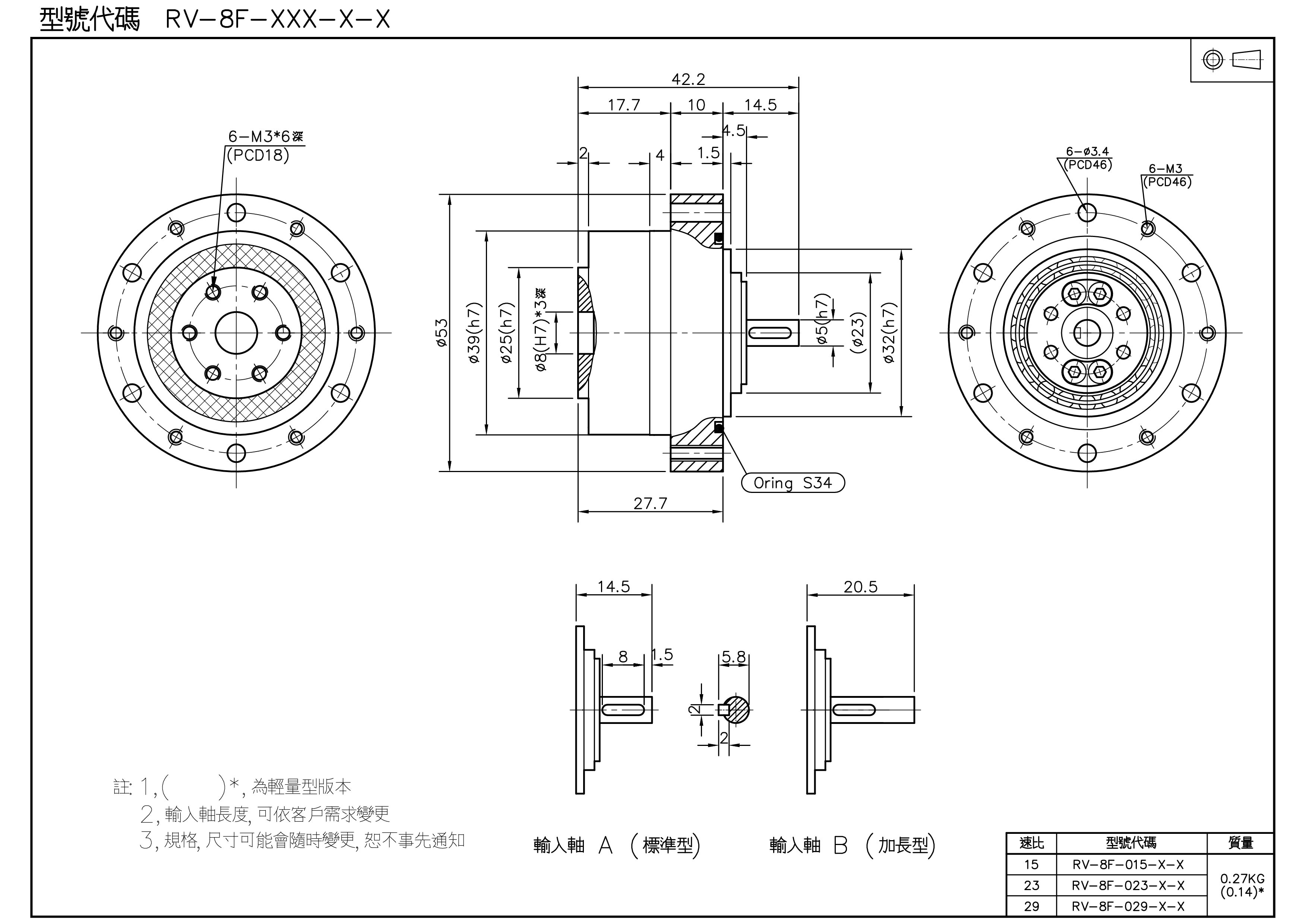
RV-8F
RV-8F外型尺寸圖.pdf